1 范圍
本標準規定了光催化材料及制品去除空氣中氮氧化物測試方法的原理、測試裝置、分析方法和試驗報告等內容。
本標準適用于光催化材料及制品去除空氣中氮氧化物性能的測試。
2 規范性引用文件
下列文件對于本文件的應用是必不可少的。凡是注日期的引用文件,僅注日期的版本適用于本文件。凡是不注日期的引用文件,其最新版本(包括所有的修改單)適用于本文件。
GB/T 6682 分析實驗室用水規格和試驗方法
GB/T 6920 水質 pH值的測定 玻璃電極法
GB/T 8170-2008 數值修約規則與極限數值的表示和判定
GB/T 11605 濕度測量方法
GB/T 14642 工業循環冷卻水及鍋爐水中氟、氯、磷酸根、亞硝酸根、硝酸根和硫酸根的測定 離子色譜法
GB/T 30706 可見光照射下光催化抗菌材料及制品抗菌性能測試方法及評價
GB/T 30809 光催化材料性能測試用紫外光光源
3 術語和定義
下列術語和定義適用于本文件。
3.1
光催化材料和制品 photocatalytic materials and products
包含或使用了光催化劑并具有光催化性能的材料和用光催化材料制成的各種應用制品。
3.2
零級空氣 zero-calibration gas
污染物含量低于0.01mL/m3的高純空氣。
4 方法原理
將光催化材料制成的樣品置于流動式光催化反應器中,通入含有一氧化氮(NO)污染物的空氣,通過光輻照發生反應,將表面吸附的NO部分氧化成硝酸根,部分轉化為二氧化氮(NO2),以NO的凈去除量表征樣品的空氣凈化能力。其中,NO和 NO2用化學發光法測試,硝酸根離子用純水洗脫后、用離子色譜法測定。
注:氮氧化物(NOx)的凈去除量由NO去除量扣除 NO2生成量計算得到。
5 試劑或材料
5.1 NO標準氣體:由NO和氮氣混合而成,NO濃度為30mL/m3~100mL/m3。
5.2 零級空氣。
6 測試裝置
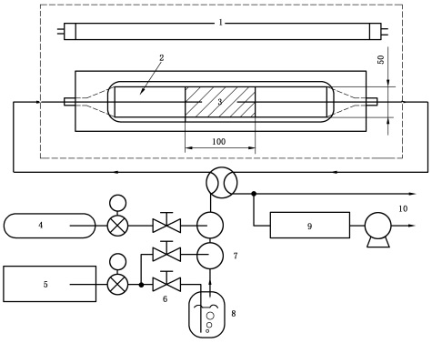
6.1 測試裝置示意圖及材料要求
測試裝置示意圖見圖1所示,其中虛框部分為光催化反應器,由于污染物濃度很低,構成反應器的材料應滿足低吸附性和抗紫外線輻射的要求。
單位為毫米

說明:
1——光源;
2——光路窗口;
3——測試樣品;
4——標準氣體(污染物);
5——零級空氣;
6——流量控制器;
7——氣體混合器;
8——加濕器;
9——分析儀;
10——出口。
圖1 測試裝置示意圖
6.2 反應氣供應
反應氣由NO標準氣體和零級空氣(干、濕)混合制得,一定溫濕度下,已知濃度的NO反應氣以恒定流量連續通入光催化反應器中。反應氣的流量和NO濃度由流量控制器分別控制干的零級空氣、濕的零級空氣和NO標準氣體來實現,三種氣體經混合器混合后進入光催化反應器,每種氣體的流速應控制在設定值的±5%范圍內,NO標準氣體的濃度為30 mL/m3~100mL/m3。
進入光催化反應器的反應氣中,NO含量穩定在1.0.0mL/m3±0.05mL/m3,水蒸氣濃度為(1.56±0.08)%(相當于在25℃下50%的相對濕度)。
6.3 光催化反應器
光催化反應器是全密閉的方形反應器,其內部裝有50mm寬的可調節高度的調整塊,測試樣品放置在調整塊上,調整塊上方有一與其平行的光路窗口,反應器外部的光源通過此窗口照射到樣品表面。通過調節調整塊的高度使得測試樣品表面與窗口之間的距離為5.0 mm±0.5mmn。反應氣只能從測試樣品與光路窗口之間通過,如圖2a)所示。當檢測一個過濾型的光催化測試樣品時,應該使用另一種類型的調整塊,它在支撐測試樣品的同時允許測試氣體在光照射下通過測試樣品的孔,如圖2b)所示。光路窗口材料可選用石英玻璃或硼玻璃,光催化反應器可附加控溫水槽。

說明:
1——光窗;
2——氣體分布板;
3——測試樣品;
4——控溫水槽;
5——支撐塊。
圖2 光催化反應器的橫截面
6.4 光源
對于測試樣品為紫外光響應型光催化材料,紫外光源為波長范圍在300nm~400nm的 UV-A選用GB/T 30809中合適的光源包括主波長為365nm的黑燈管或藍黑光燈管、氙燈(需用濾光片過濾掉300nm以下和400nm以上的可見光),光源應均勻地照射在光路窗口上。測試多孔光催化樣品時,光源應照射測試樣品的一面。需要預熱的光源應配備遮光器。調整光源與反應器之間的距離,使得樣品表面的紫外光照度為10 W/m2±0.5W/m2 。沿著測試樣品長度的輻照強度偏差應控制在±5%。
對于測試樣品為可見光響應型光催化材料,可見光源推薦采用符合GB/T 30706,色溫為5000K的熒光燈。
以上為標準部分內容,如需看標準全文,請到相關授權網站購買標準正版。


